Our use of Cookies on this Website

We use cookies to to give you the best experience possible & analyse our traffic. By clicking “Accept Cookies”, you agree to the storing of cookies on your device to enhance site navigation, analyse site usage, and assist in our marketing efforts.

We also share information about your use of our site with our social media, advertising, and analytics partners who may combine it with other information that you’ve provided to them or that they’ve collected from your use of their services.

Please view our cookie policy or privacy policy for more information.

Manage Cookies Accept Cookies

PDFs


Catalogue Technical Specification

CAD Data


Step Files

Close
Close

KE Series Wedge Mount Levelling Element

CloseNextPrevious



CloseNextPrevious

KE Series: Wedge Mount Levelling Element



Choose your Part

Please select desired options to reveal part number, price and availability


Product Description

KE Series Wedge Mount Levelling Element

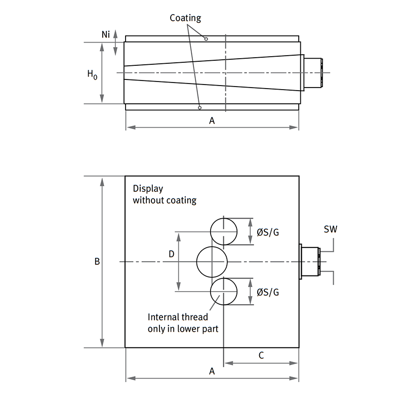
The KE series is preferred as a wedge mount where it is necessary to dispense with an elastic machine installation. Whether as a wedge mount for measuring instruments on the laboratory bench or as a stabilizing wedge element in complete manufacturing centres.

Wherever elasticity is not required and equipment and machinery have to be as rigid and solid as possible, the KE wedge mounts are a perfect solution. Our wedge mounts come in six different sizes to enable particularly rigid machine installation for almost any desired application.

The KE Series are best suited to machines with or without mounting options and also require particularly rigid installation.

Elements with one-sided coating can be bolted on, elements without coating can be bolted through.

Specification

Element body - Cast iron

Outside coating - elastomer with high elasticity, oil resistant, non-ageing.

Levelling Screw - grade 8.8, galvanised.

Levelling range max. 7 - 20mm.

Delivery Contents

Support elements and fastening screw.


Your Berger Sign Up Trade Accounts Discounts & Delivery Charges Catalogues Exhibitions Contact Us FAQs
Our Reviews & Feedback Company Business Code of Practise Terms and Conditions Quality & Certification Products Subscribe to our newsletter Blogs
Shopping with Us Your Berger Sign Up Trade Accounts Discounts & Delivery Charges Catalogues Exhibitions
About Us Company Business Code of Practise Terms and Conditions Quality & Certification
Customer Services Contact Us FAQs Our Reviews & Feedback
Latest Product Information & Special Offers Subscribe to our newsletter Blogs

internetvista® monitoring - Websites monitoring
© Berger Tools Ltd 2026 Admin Website by Goldhosts
Key Cloud...
KE Series Wedge Mount Levelling Element Stabilizing Wedge Rigid Machine Installation Cast Iron Wedge Mount Elastomer Coating Wedge Support Elements