Our use of Cookies on this Website

We use cookies to to give you the best experience possible & analyse our traffic. By clicking “Accept Cookies”, you agree to the storing of cookies on your device to enhance site navigation, analyse site usage, and assist in our marketing efforts.

We also share information about your use of our site with our social media, advertising, and analytics partners who may combine it with other information that you’ve provided to them or that they’ve collected from your use of their services.

Please view our cookie policy or privacy policy for more information.

Manage Cookies Accept Cookies

We are closed for the bank holiday, any order placed over the weekend / Monday will be processed on Tuesday on our return. Enjoy the sunshine!

PDFs


Catalogue Technical Specification

CAD Data



Close
Close

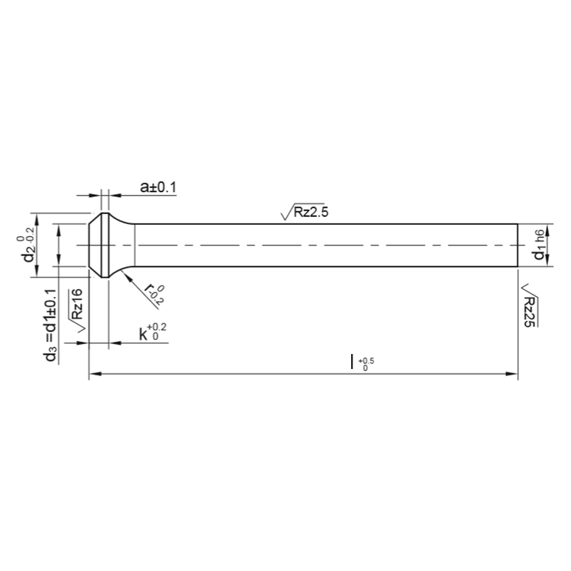
BNP Bottle Neck Punch Blank, Type D-HSS

CloseNextPrevious



CloseNextPrevious



Choose your Part

Please select desired options to reveal part number, price and availability


Product Description

BNP Bottle Neck Punch Blank, type D-HSS

These bottle-neck punches, BNP, are a long lasting, hardwearing punch blank. In contrast to type DA these have a fine ground finished shaft (d1) with h6 tolerance up to the head.

Specification

Hardened, tempered steel, fully fine ground finish, ground and lapped all over. Head hot forged and annealed.

Material M2 (HSS) - High speed steel, Hardness HRC - Shaft: 62~66, Head: 45~55

Material ASP - High performance powdered high speed steel, Hardness HRC - Shaft: 62~66, Head: 45~55

Etching - For ease of reference, parts will be etched with part number and Berger logo unless otherwise specified in the special instruction box when ordering

On Request

Other materials including ASP, CPM and WC

Other sizes/dimensions

Coatings

Please contact us with your special requests/drawings for quoting. We are happy to convert any punch and die supplier coding

Recently Viewed


Your Berger Sign Up Trade Accounts Discounts & Delivery Charges Catalogues Exhibitions Contact Us FAQs
Our Reviews & Feedback Company Business Code of Practise Terms and Conditions Quality & Certification Products Subscribe to our newsletter Blogs
Shopping with Us Your Berger Sign Up Trade Accounts Discounts & Delivery Charges Catalogues Exhibitions
About Us Company Business Code of Practise Terms and Conditions Quality & Certification
Customer Services Contact Us FAQs Our Reviews & Feedback
Latest Product Information & Special Offers Subscribe to our newsletter Blogs

internetvista® monitoring - Websites monitoring
© Berger Tools Ltd 2026 Admin Website by Goldhosts
Key Cloud...
BNP Bottle Neck Punch Blanks Punch Blanks type D Hardened Punch Blanks High Carbon High Chrome Steel Punches High Speed Steel Punches Steel Punches