✗
Our use of Cookies on this Website
We use cookies to to give you the best experience possible & analyse our traffic. By clicking “Accept Cookies”, you agree to the storing of cookies on your device to enhance site navigation, analyse site usage, and assist in our marketing efforts.
We also share information about your use of our site with our social media, advertising, and analytics partners who may combine it with other information that you’ve provided to them or that they’ve collected from your use of their services.
Please view our cookie policy or privacy policy for more information.
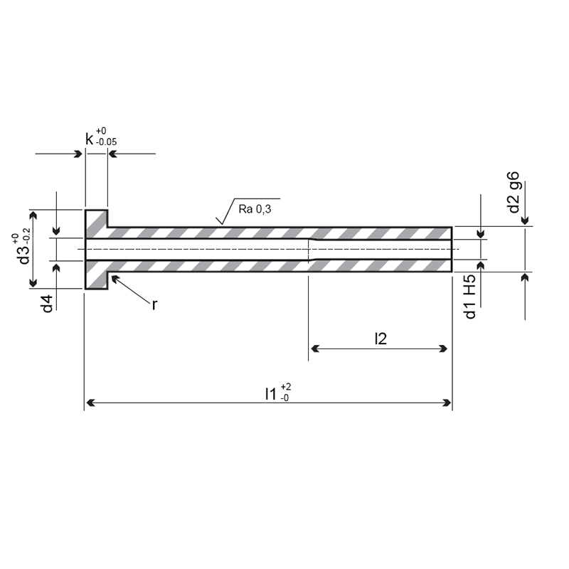
EPS-NP Ejector Sleeve Nitrided DIN16756
CloseNextPreviousEPS-NP Ejector Sleeve, Cylindrical Head / EPSI-NP Imperial Ejector Pins

Choose your Part
Please select desired options to reveal part number, price and availability
Product Description
EPS-NP Ejector Sleeve Nitrided DIN 16756
These ejector sleeves are used to guide and protect ejector pins, and in doing so, increase their lifespan and cost effectiveness.
Specification
Material - hot working tool steel 1.2343 & 1.2344 or similar. Temperature resistant 600°/1112°C.
Shaft - at least 950 HV 0.3 on the surface. Core strength approx 1400N/mm.
Head - HRC 45 +10 / -5, hot forged, shaft fine ground and nitrided. Guide bore nitrided and honed.
Other standards and special tolerances available on request.