Our use of Cookies on this Website

We use cookies to to give you the best experience possible & analyse our traffic. By clicking “Accept Cookies”, you agree to the storing of cookies on your device to enhance site navigation, analyse site usage, and assist in our marketing efforts.

We also share information about your use of our site with our social media, advertising, and analytics partners who may combine it with other information that you’ve provided to them or that they’ve collected from your use of their services.

Please view our cookie policy or privacy policy for more information.

Manage Cookies Accept Cookies

We are closed for the bank holiday, any order placed over the weekend / Monday will be processed on Tuesday on our return. Enjoy the sunshine!

PDFs



CAD Data



Close
Close

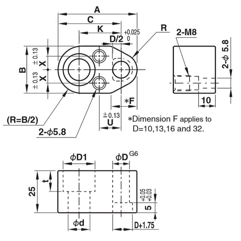
ORTSM Headed Punch Retainers, Single Bolt Mount for Shaped Punches with Centre Locating (MANUAL)

CloseNextPrevious



CloseNextPrevious



Choose your Part

Please select desired options to reveal part number, price and availability


Product Description

ORTSM Headed Punch Retainers, Single Bolt Mount for Shaped Punches with Centre Locating

Specification

Steel - 1045, S45C or equiv.

Retainer Includes: 2 threaded dowels, 2 cap screws and 2 set screws

On request

Backing plate

Recently Viewed


Your Berger Sign Up Trade Accounts Discounts & Delivery Charges Catalogues Exhibitions Contact Us FAQs
Our Reviews & Feedback Company Business Code of Practise Terms and Conditions Quality & Certification Products Subscribe to our newsletter Blogs
Shopping with Us Your Berger Sign Up Trade Accounts Discounts & Delivery Charges Catalogues Exhibitions
About Us Company Business Code of Practise Terms and Conditions Quality & Certification
Customer Services Contact Us FAQs Our Reviews & Feedback
Latest Product Information & Special Offers Subscribe to our newsletter Blogs

internetvista® monitoring - Websites monitoring
© Berger Tools Ltd 2026 Admin Website by Goldhosts
Key Cloud...
ORTSM Headed Punch Retainers Single Bolt Mount Shaped Punches Centre Locating