Our use of Cookies on this Website

We use cookies to to give you the best experience possible & analyse our traffic. By clicking “Accept Cookies”, you agree to the storing of cookies on your device to enhance site navigation, analyse site usage, and assist in our marketing efforts.

We also share information about your use of our site with our social media, advertising, and analytics partners who may combine it with other information that you’ve provided to them or that they’ve collected from your use of their services.

Please view our cookie policy or privacy policy for more information.

Manage Cookies Accept Cookies

PDFs


Catalogue Technical Specification
Checking Initial Force
Installation Guide
Gas Spring Safety
Instructions for charging gas cylinders or decreasing their pressure - DMA
Procedure to Remove the Over Stroke Marker OSM
Maintenance Instructions

CAD Data


RF750 3D CAD Model

Close
Close

RF750 Min Height, Max Force

CloseNextPrevious



CloseNextPrevious

RF: Gas Spring



CloseNextPrevious



Choose your Part

Please select desired options to reveal part number, price and availability


Product Description

RF750 Min Height, Max Force (Fiat Spec)

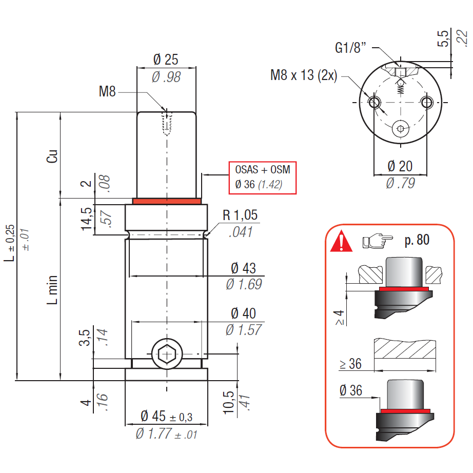
Our RF750 series features an over stroke bushing that combined with the OSAS over stroke safety system make this our safest gas spring.

Available in contained & linkable (N) format.

A development of the original series of HR cylinders with minimum height and enhanced forces with OSAS (overstroke active safety), OPAS (overpressure active safety) and USAS (uncontrolled speed active safety) as standard. For further details, see Gas Safety Information.

Dimensions according to VDI3003 and Fiat standard (RF). The ideal choice for every designer for any application. Connectable to system with a complete range of accessories: JIC37°, Minimess, Micro, US standard. Ideal for EASY MANIFOLD applications in the standard version.

F1i = Isothermal end force at 100% Cu

F1p = Polytrophic end force at 100% Cu (See Techincal Data - Catalogue Specification for more information)

International/Automotive Standards

075.90.60 (FCA)


Your Berger Sign Up Trade Accounts Discounts & Delivery Charges Catalogues Exhibitions Contact Us FAQs
Our Reviews & Feedback Company Business Code of Practise Terms and Conditions Quality & Certification Products Subscribe to our newsletter Blogs
Shopping with Us Your Berger Sign Up Trade Accounts Discounts & Delivery Charges Catalogues Exhibitions
About Us Company Business Code of Practise Terms and Conditions Quality & Certification
Customer Services Contact Us FAQs Our Reviews & Feedback
Latest Product Information & Special Offers Subscribe to our newsletter Blogs

internetvista® monitoring - Websites monitoring
© Berger Tools Ltd 2026 Admin Website by Goldhosts
Key Cloud...
RF750 gas springs Minimum Height Maximum Force Fiat over stroke bushing OSAS system safest safety cylinders Chrysler