We are closed for the bank holiday, any order placed over the weekend / Monday will be processed on Tuesday on our return. Enjoy the sunshine!
We are closed for the bank holiday, any order placed over the weekend / Monday will be processed on Tuesday on our return. Enjoy the sunshine!

Please select desired options to reveal part number, price and availability
Product Description
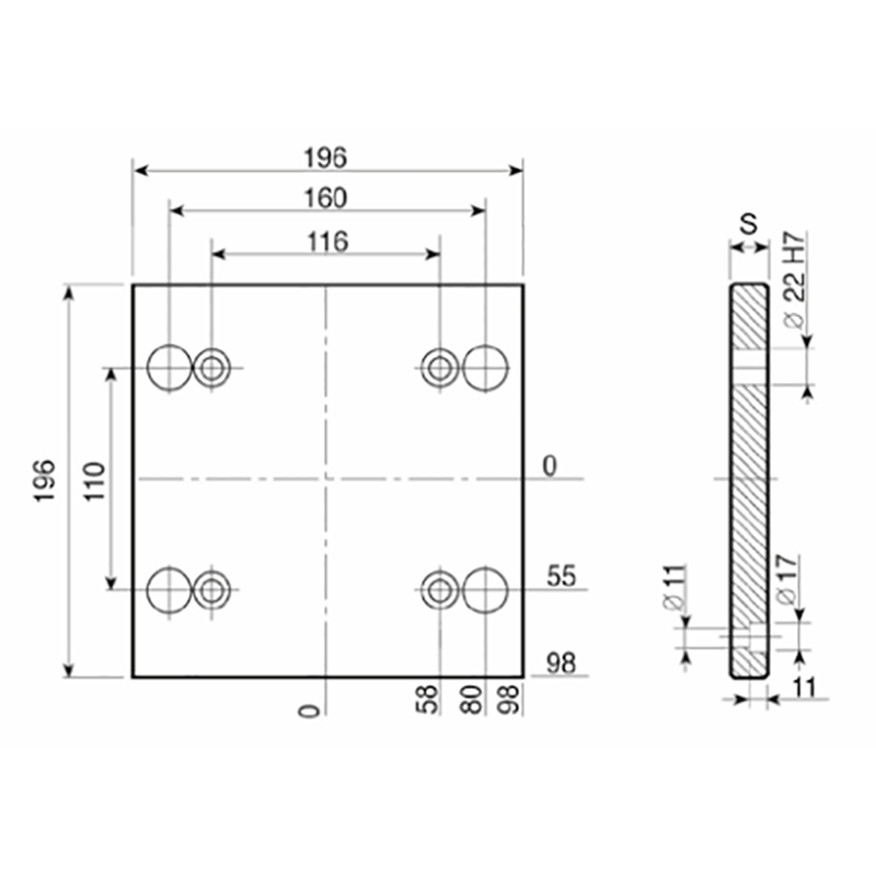
PD 196x196 - Lateral Overhanging Top / Bottom Mounting Plate
These plates are part of our standard series of high quality die mould bases. The most popular die mould base plates in the world, complete European standard interchangeability the extreme precision of our unique plate centring edge guarantees high quality results, every time.
Specification
Milled plates with ground thickness
Tool Steel 1.1730 as standard, other materials on request.
Tool Steel 1.1730 is a steel with high workability and micro structural consistency, with a uniform hardness less than 207HB. Prior to processing, the plates are stress relieved in order to reduce internal stresses and create the best conditions for processing with limited deformation. All materials are heat treated in a bell furnace and kept at 580°C for at least 5 hours and then slowly cooled with a ramp of 35 c/h, to room temperature.
| Part Code |
|---|
| PD-196-196-22-1730 |