Our use of Cookies on this Website

We use cookies to to give you the best experience possible & analyse our traffic. By clicking “Accept Cookies”, you agree to the storing of cookies on your device to enhance site navigation, analyse site usage, and assist in our marketing efforts.

We also share information about your use of our site with our social media, advertising, and analytics partners who may combine it with other information that you’ve provided to them or that they’ve collected from your use of their services.

Please view our cookie policy or privacy policy for more information.

Manage Cookies Accept Cookies

PDFs


Catalogue Technical Specification

CAD Data



Close
Close

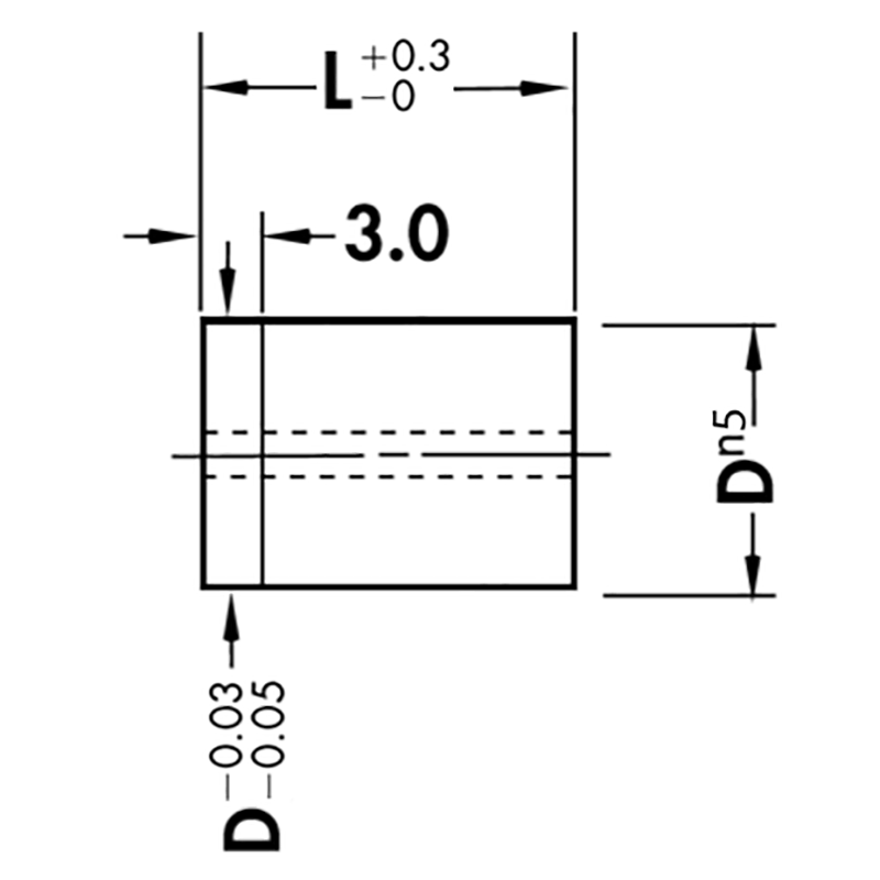
MFDW Wire EDM Headless Die Blank with Starter Hole

CloseNextPrevious



CloseNextPrevious



Choose your Part

Please select desired options to reveal part number, price and availability

Options

Material D2 - High carbon high chrome steel

Material M2 - High speed steel


Product Description

MFDW Wire EDM Headless Die Blank with Starter Hole

Our precision EDM MFHW headed and headless die blanks are manufactured and engineered from the highest grade tool steels D2 and M2 with a 1,6mm starter hole as standard. Additionally, as a "special", we can accommodate custom hole locations and other materials available on request, including carbide WC, powdered steel PS. All standard components are fully interchangeable with competing brands.

Etching - For ease of reference, parts will be etched with part number and Berger logo unless otherwise specified in the special instruction box when ordering

Specification

Material D2 (HWS) - High carbon high chrome steel, Hardness HRC: 60~63

Material M2 (HSS) - High speed steel, Hardness HRC: 60-63

Please email us your special requests/drawings for quoting. We are happy to convert any punch and die supplier coding


Your Berger Sign Up Trade Accounts Discounts & Delivery Charges Catalogues Exhibitions Contact Us FAQs
Our Reviews & Feedback Company Business Code of Practise Terms and Conditions Quality & Certification Products Subscribe to our newsletter Blogs
Shopping with Us Your Berger Sign Up Trade Accounts Discounts & Delivery Charges Catalogues Exhibitions
About Us Company Business Code of Practise Terms and Conditions Quality & Certification
Customer Services Contact Us FAQs Our Reviews & Feedback
Latest Product Information & Special Offers Subscribe to our newsletter Blogs

internetvista® monitoring - Websites monitoring
© Berger Tools Ltd 2026 Admin Website by Goldhosts
Key Cloud...
MFDW Wire EDM Headless Die Blank with Starter Hole Die Blanks Dies MFDW High Carbon High Chrome Steel Die D2 Die M2 Die High Speed Steel Die HWS Die HSS Die