
Please select desired options to reveal part number, price and availability
Product Description
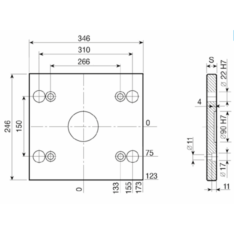
PDC 196x346 - Lateral Overhanging Top / Bottom Clamping Mounting Plate
These plates are part of our standard series of high quality die mould bases and the extreme precision of our unique plate centring edge guarantees high quality results, every time. Top plate with locating ring recess
Specification
Milled plates with ground thickness
Tool Steel 1.1730 as standard, other materials on request.
Tool Steel 1.1730 is a steel with high workability and micro structural consistency, with a uniform hardness less than 207HB. Prior to processing, the plates are stress relieved in order to reduce internal stresses and create the best conditions for processing with limited deformation. All materials are heat treated in a bell furnace and kept at 580°C for at least 5 hours and then slowly cooled with a ramp of 35 c/h, to room temperature.
| Part Code |
|---|
| PDC-196-346-22-1730 |