Our use of Cookies on this Website

We use cookies to to give you the best experience possible & analyse our traffic. By clicking “Accept Cookies”, you agree to the storing of cookies on your device to enhance site navigation, analyse site usage, and assist in our marketing efforts.

We also share information about your use of our site with our social media, advertising, and analytics partners who may combine it with other information that you’ve provided to them or that they’ve collected from your use of their services.

Please view our cookie policy or privacy policy for more information.

Manage Cookies Accept Cookies

PDFs


Catalogue Technical Specification

CAD Data



Close
Close

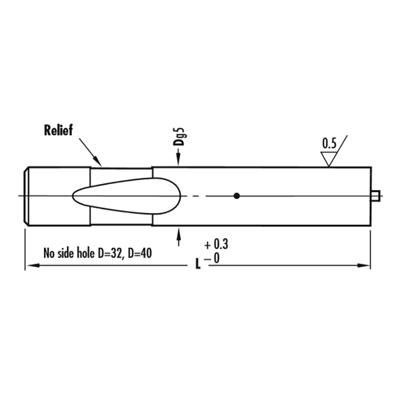
MBLB/ MBLEB Ball Lock Punch Blank Light Duty

CloseNextPrevious

MBLB: Ball Lock Punch Blank Light Duty



CloseNextPrevious

MBLB: Ball Lock Punch Blank Light Duty



CloseNextPrevious

MBLEB: Ball Lock Punch Blank Light Duty



CloseNextPrevious

MBLEB: Ball Lock Punch Blank Light Duty



Choose your Part

Please select desired options to reveal part number, price and availability


Product Description

MBLB/ MBLEB Ball Lock Punch Blank Light Duty

These light load ball lock punches, MBLB / MBLEB are available in a wide range of sizes and additional materials are available on request.

Etching - For ease of reference, parts will be etched with part number and Berger logo unless otherwise specified in the special instruction box when ordering

Specification

Material D2 (HWS) - High carbon high chrome steel, Hardness HRC: 60~63

On Request

Material M2 (HSS) - High speed steel, Hardness HRC: 60~63

Material ASP (Vanadis 23) - High performance powdered high speed steel, Hardness HRC: 63~65

Please contact us with your special requests/drawings for quoting. We are happy to convert any punch and die supplier coding

Recently Viewed


Your Berger Sign Up Trade Accounts Discounts & Delivery Charges Catalogues Exhibitions Contact Us FAQs
Our Reviews & Feedback Company Business Code of Practise Terms and Conditions Quality & Certification Products Subscribe to our newsletter Blogs
Shopping with Us Your Berger Sign Up Trade Accounts Discounts & Delivery Charges Catalogues Exhibitions
About Us Company Business Code of Practise Terms and Conditions Quality & Certification
Customer Services Contact Us FAQs Our Reviews & Feedback
Latest Product Information & Special Offers Subscribe to our newsletter Blogs

internetvista® monitoring - Websites monitoring
© Berger Tools Ltd 2025 Admin Website by Goldhosts
Key Cloud...
MBLB Ball Lock Punch Blank Light Duty MBLEB Ball Lock Punch Blank Light Duty MBLEB Ball Lock Punch Light Load Punch Hardened Punches High Carbon High Chrome Steel Punches High Speed Steel Punches Steel Punches