Our use of Cookies on this Website

We use cookies to to give you the best experience possible & analyse our traffic. By clicking “Accept Cookies”, you agree to the storing of cookies on your device to enhance site navigation, analyse site usage, and assist in our marketing efforts.

We also share information about your use of our site with our social media, advertising, and analytics partners who may combine it with other information that you’ve provided to them or that they’ve collected from your use of their services.

Please view our cookie policy or privacy policy for more information.

Manage Cookies Accept Cookies

Bank Holiday Closure Notice - We are closed for the bank holiday all orders will be processed when we return on Tuesday. Happy Easter from all of us at Berger Tools

PDFs


Catalogue Technical Specification

CAD Data



Close
Close

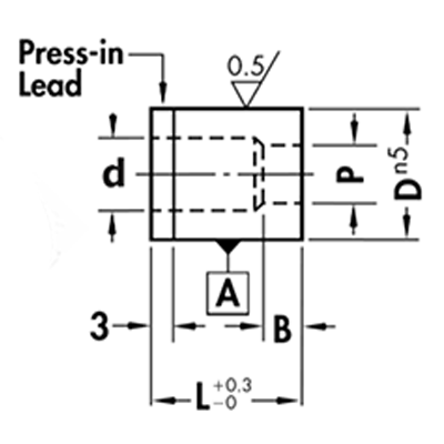
MDC Metric Headless Die Bush with Counter Bore, Circular

CloseNextPrevious



CloseNextPrevious

MD: Headless Die Bush with Counter Bore



CloseNextPrevious



Choose your Part

Please select desired options to reveal part number, price and availability


Product Description

MDC Metric Headless Die Bush with Counter Bore, Circular

These circular metric headless die bushes, MDC, are available in a range of sizes and top quality materials.

Please note - slots and flats are available, as shown here. To order, please contact us

Specification

Etching - For ease of reference, parts will be etched with part number and Berger logo unless otherwise specified in the special instruction box when ordering

On Request

Other materials

Other sizes/dimensions

Please contact us with your special requests/drawings for quoting. We are happy to convert any punch and die supplier coding.


Your Berger Sign Up Trade Accounts Discounts & Delivery Charges Catalogues Exhibitions Contact Us FAQs
Our Reviews & Feedback Company Business Code of Practise Terms and Conditions Quality & Certification Products Subscribe to our newsletter Blogs
Shopping with Us Your Berger Sign Up Trade Accounts Discounts & Delivery Charges Catalogues Exhibitions
About Us Company Business Code of Practise Terms and Conditions Quality & Certification
Customer Services Contact Us FAQs Our Reviews & Feedback
Latest Product Information & Special Offers Subscribe to our newsletter Blogs

internetvista® monitoring - Websites monitoring
© Berger Tools Ltd 2026 Admin Website by Goldhosts
Key Cloud...
MDC Metric Headless Die Bush with Counter Bore Headless Die Headless Die Bush Dies High Carbon High Chrome Steel Die D2 Die M2 Die High Speed Steel Die HWS Die HSS Die