Our use of Cookies on this Website

We use cookies to to give you the best experience possible & analyse our traffic. By clicking “Accept Cookies”, you agree to the storing of cookies on your device to enhance site navigation, analyse site usage, and assist in our marketing efforts.

We also share information about your use of our site with our social media, advertising, and analytics partners who may combine it with other information that you’ve provided to them or that they’ve collected from your use of their services.

Please view our cookie policy or privacy policy for more information.

Manage Cookies Accept Cookies

PDFs


Catalogue Technical Specification
Checking Initial Force
Installation Guide
Gas Spring Safety
Instructions for charging gas cylinders or decreasing their pressure - DMA
Procedure to Remove the Over Stroke Marker OSM

CAD Data



Close
Close

HT500 T1 Series - Heat Resistant, ISO Standard, High Force Cylinder

CloseNextPrevious



CloseNextPrevious

HT: High Force Cylinder



CloseNextPrevious



Choose your Part

Please select desired options to reveal part number, price and availability


Product Description

HT500 T1 Series - Heat Resistant, ISO Standard, High Force Cylinder

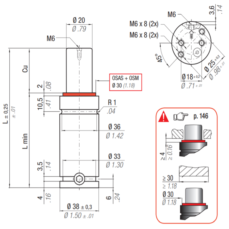
HT Series nitrogen gas springs are for use in high-temperature environments. These special gas springs come with specific seals and guiding elements designed to withstand consistently high-temperature environments. T1 variants are heat resistant to 80°C - 100°C / 176°C - 212°F.

These gas cylinders also come with OSAS (over stroke active safety), OPAS (overpressure active safety), and USAS (uncontrolled speed active safety) as standard. The OSM (Over Stroke Marker) is also integrated to allow for easy identification of compromised gas cylinders.

F1i = Isothermal end force at 100% Cu

F1p = Polytrophic end force at 100% Cu (See Techincal Data - Catalogue Specification for more information)

Related Series


Your Berger Sign Up Trade Accounts Discounts & Delivery Charges Catalogues Exhibitions Contact Us FAQs
Our Reviews & Feedback Company Business Code of Practise Terms and Conditions Quality & Certification Products Subscribe to our newsletter Blogs
Shopping with Us Your Berger Sign Up Trade Accounts Discounts & Delivery Charges Catalogues Exhibitions
About Us Company Business Code of Practise Terms and Conditions Quality & Certification
Customer Services Contact Us FAQs Our Reviews & Feedback
Latest Product Information & Special Offers Subscribe to our newsletter Blogs

internetvista® monitoring - Websites monitoring
© Berger Tools Ltd 2026 Admin Website by Goldhosts
Key Cloud...
HT500 T1 Series Heat Resistant ISO Standard High Force Cylinder