Our use of Cookies on this Website

We use cookies to to give you the best experience possible & analyse our traffic. By clicking “Accept Cookies”, you agree to the storing of cookies on your device to enhance site navigation, analyse site usage, and assist in our marketing efforts.

We also share information about your use of our site with our social media, advertising, and analytics partners who may combine it with other information that you’ve provided to them or that they’ve collected from your use of their services.

Please view our cookie policy or privacy policy for more information.

Manage Cookies Accept Cookies

PDFs


Catalogue Technical Specification
Checking Initial Force
Installation Guide
Gas Spring Safety
Instructions for charging gas cylinders or decreasing their pressure - DMA
Procedure to Remove the Over Stroke Marker OSM
Maintenance Instructions

CAD Data


RV1200 3D CAD Model

Close
Close

RV1200 Gas Spring - Minimum Height, Maximum Force

CloseNextPrevious



CloseNextPrevious

RV: Nitrogen Gas Spring



CloseNextPrevious



Choose your Part

Please select desired options to reveal part number, price and availability

Options

N - Linkable


Product Description

RV1200 - Minimum Height, Maximum Force

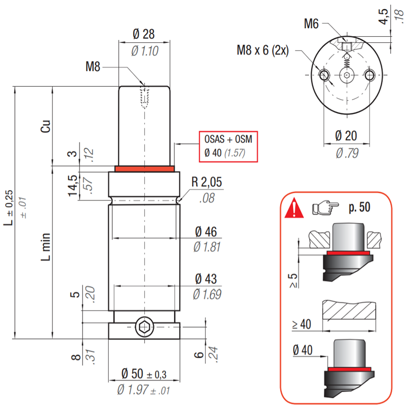
Part of our most popular RV series of gas springs, these RV1200 cylinders are linkable using our Easy Manifold system, and feature the NEW OPAS (over pressure active safety), OSAS (overstroke active safety), and USAS (uncontrolled speed active safety) protections and over stroke marker as standard. For further details, see Gas Spring Safety Information

The RV1200 is a development of the original series of HR cylinders, combining minimum height with enhanced forces. They are the ideal choice for every designer for any application, with a wide range of body diameters and initial forces available from stock.

Series RV replaces Series HR & HRF which have been phased out.

F1i = Isothermal end force at 100% Cu

F1p = Polytrophic end force at 100% Cu (See Techincal Data - Catalogue Specification for more information)

Specification

Linkable - Easy manifold.

OPAS, OSAS and USAS protection

Over Stroke marker.

Related Series

Recently Viewed


Your Berger Sign Up Trade Accounts Discounts & Delivery Charges Catalogues Exhibitions Contact Us FAQs
Our Reviews & Feedback Company Business Code of Practise Terms and Conditions Quality & Certification Products Subscribe to our newsletter Blogs
Shopping with Us Your Berger Sign Up Trade Accounts Discounts & Delivery Charges Catalogues Exhibitions
About Us Company Business Code of Practise Terms and Conditions Quality & Certification
Customer Services Contact Us FAQs Our Reviews & Feedback
Latest Product Information & Special Offers Subscribe to our newsletter Blogs

internetvista® monitoring - Websites monitoring
© Berger Tools Ltd 2026 Admin Website by Goldhosts
Key Cloud...
RV1200 Series HR Minimum Height Maximum Force OPAS OSAS RV safety gas springs cylinders HRF nitrogen HR1500 HR1000