Please select desired options to reveal part number, price and availability
Options
N - Linkable
Product Description
RV750 - Minimum Height, Maximum Force
Part of our most popular RV series of gas springs, these RV750 cylinders are linkable using our Easy Manifold system and feature the NEW OPAS (over pressure active safety), OSAS (overstroke active safety), and USAS (uncontrolled speed active safety) protections and over stroke marker as standard. For further details, see Gas Spring Safety Information
The RV750 is a development of the original series of HR cylinders, combining minimum height with enhanced forces. The RV750 is popular with Mercedes Benz (B83180220000004) and BMW (B2 4005), among others. They are the ideal choice for every designer for any application, with a wide range of body diameters and initial forces available from stock.
Series RV replaces Series HR & HRF which have been phased out.
F1i = Isothermal end force at 100% Cu
F1p = Polytrophic end force at 100% Cu (See Techincal Data - Catalogue Specification for more information)
Specification
Linkable - Easy manifold.
OPAS, OSAS and USAS protection
Over Stroke marker
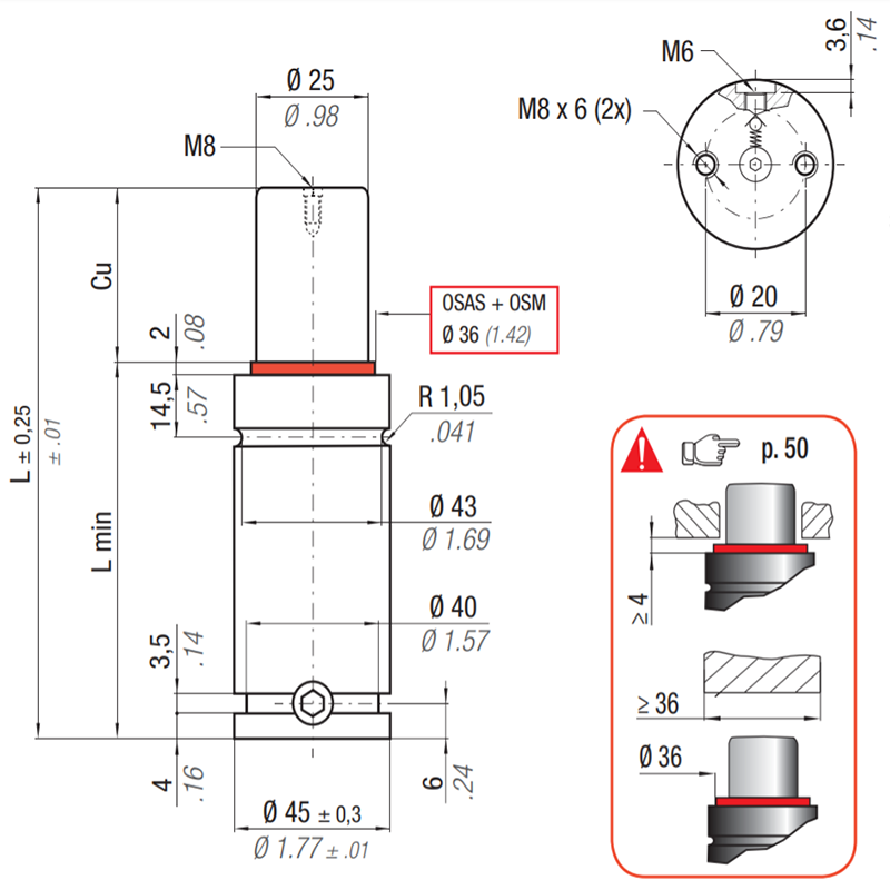
Dimensions according to ISO 11901-3.
International/Automotive Standards
ISO 11901-3 - VDI3003-Blatt 3 - B2 4005 (BMW) - W-DX35-6204 (Ford) - B8 3180 220 000 004 (MB) - E24.54.815.G (PSA) - 39D 997 (VW)