Our use of Cookies on this Website

We use cookies to to give you the best experience possible & analyse our traffic. By clicking “Accept Cookies”, you agree to the storing of cookies on your device to enhance site navigation, analyse site usage, and assist in our marketing efforts.

We also share information about your use of our site with our social media, advertising, and analytics partners who may combine it with other information that you’ve provided to them or that they’ve collected from your use of their services.

Please view our cookie policy or privacy policy for more information.

Manage Cookies Accept Cookies

PDFs


Catalogue Technical Specification

CAD Data


3D CAD Files

Close
Close

SLM Series Pneumatic Isolator Mounts

CloseNextPrevious



CloseNextPrevious

SLM Series: Pneumatic Isolator Mount



Choose your Part

Please select desired options to reveal part number, price and availability


Product Description

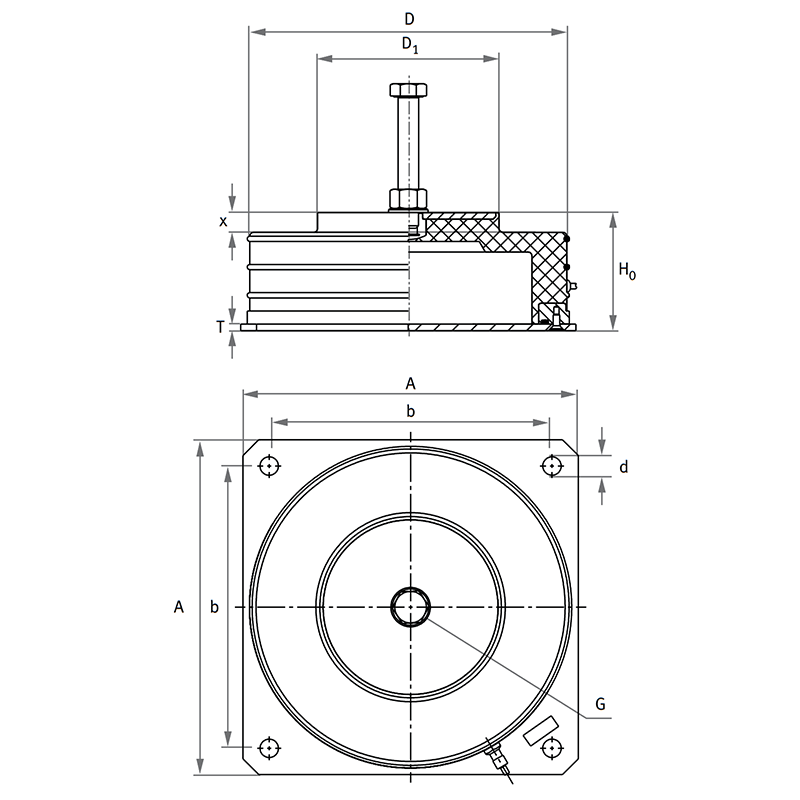
SLM Series pneumatic Isolator mounts are a low height, low stiffness air spring isolator mount suitable for both passive and dynamic applications where a support natural frequency as low as 3-5Hz is required.

Typical passive applications include measuring machines, metrology inspection devices, isolation tables and electron microscopes when isolation of vibration is vital in the working environment.

Dynamic applications such as power presses, compressors, air conditioners and high-speed punch presses should use the SLM-D series with combined damping.

The SLM Isolator has a Neoprene rubber body with steel reinforcing hoops, aluminium base plate and a steel or aluminium top support plate complete with a tapped mounting hole. Inflation is either through the 'moulded in' standard tyre valve or by connection to a permanent air supply.

Specification

Elastomer body - CR grade, high elasticity, oil resistant, non-ageing.

Carrier and base plate:

SLM 1 - 12 - Aluminium
SLM 24 - 192 - galvanised steel

Screw - grade 8.8, galvanised.

Delivery Contents

Pneumatic spring element with hexagon head screw


Your Berger Sign Up Trade Accounts Discounts & Delivery Charges Catalogues Exhibitions Contact Us FAQs
Our Reviews & Feedback Company Business Code of Practise Terms and Conditions Quality & Certification Products Subscribe to our newsletter Blogs
Shopping with Us Your Berger Sign Up Trade Accounts Discounts & Delivery Charges Catalogues Exhibitions
About Us Company Business Code of Practise Terms and Conditions Quality & Certification
Customer Services Contact Us FAQs Our Reviews & Feedback
Latest Product Information & Special Offers Subscribe to our newsletter Blogs

internetvista® monitoring - Websites monitoring
© Berger Tools Ltd 2026 Admin Website by Goldhosts
Key Cloud...
SLM Series Pneumatic Isolator Mounts Air Spring Isolator Mount Mount for Passive Applications Mount for Dynamic Applications Isolator with Rubber Body Mount for Measuring Machines Metrology Device Mount Power Press Mount