Our use of Cookies on this Website

We use cookies to to give you the best experience possible & analyse our traffic. By clicking “Accept Cookies”, you agree to the storing of cookies on your device to enhance site navigation, analyse site usage, and assist in our marketing efforts.

We also share information about your use of our site with our social media, advertising, and analytics partners who may combine it with other information that you’ve provided to them or that they’ve collected from your use of their services.

Please view our cookie policy or privacy policy for more information.

Manage Cookies Accept Cookies

PDFs


Catalogue Technical Specification
Checking Initial Force
Installation Guide
Gas Spring Safety
Instructions for charging gas cylinders or decreasing their pressure - DMA
Procedure to Remove the Over Stroke Marker OSM
Maintenance Instructions
Maintenance Instructions

CAD Data


SC750 3D CAD Model

Close
Close

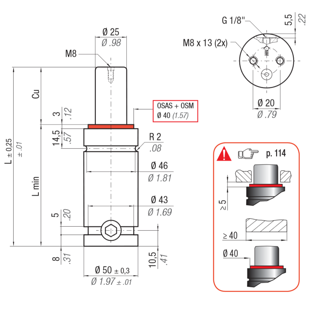
SC750 Series Gas Spring

ISO - VDI - BMW - Ford - Mazda - MB - Nissan - PSA - Renault - Suzuki - VW

CloseNextPrevious



CloseNextPrevious



CloseNextPrevious



Choose your Part

Please select desired options to reveal part number, price and availability


Product Description

SC750 Series Gas Spring

Available in both contained and linkable (N) formats.

SO, VDI and CNOMO standards. The widest choice of models and strokes up to 300 mm.
OSAS (overstroke active safety), OPAS (overpressure active safety) and USAS (uncontrolled speed active safety) as standard.
Connectable to system with a complete range of accessories: JIC37°, Minimess, Micro, US standard. Ideal for EASY MANIFOLD applications in the standard version.

F1i = Isothermal end force at 100% Cu

F1p = Polytrophic end force at 100% Cu (See Techincal Data - Catalogue Specification for more information)

International/Automotive Standards
ISO 11901-1 - VDI 3003 - 075.90.55 (FCA) - B2 4006 (BMW) - PG23D (Mazda) - B8 3180 220 000 001 (MB) - K 32 S (Nissan) - E24.54.815.G (PSA) - EM24.54.700 (Renault) - SES-K 5404e (Suzuki) - 39D 878 (VW)

Related Series

Recently Viewed


Your Berger Sign Up Trade Accounts Discounts & Delivery Charges Catalogues Exhibitions Contact Us FAQs
Our Reviews & Feedback Company Business Code of Practise Terms and Conditions Quality & Certification Products Subscribe to our newsletter Blogs
Shopping with Us Your Berger Sign Up Trade Accounts Discounts & Delivery Charges Catalogues Exhibitions
About Us Company Business Code of Practise Terms and Conditions Quality & Certification
Customer Services Contact Us FAQs Our Reviews & Feedback
Latest Product Information & Special Offers Subscribe to our newsletter Blogs

internetvista® monitoring - Websites monitoring
© Berger Tools Ltd 2026 Admin Website by Goldhosts
Key Cloud...
SC750 Series Gas Springs - ISO 11901 Standard nitrogen gas cylinder ISO11901